Ensemble de mesurage routier DRESSER (DRESSER WAYNE) GHM et GHM DUO
L’autorisation pour commercialiser le matériel de type GHM et GHM Duo (fabriqué par DRESSER – Einbeck, Allemagne, puis par DRESSER WAYNE – Malmö, Suède) est donnée à la société LANTZERATH Technologie Station Service (Fèves / France), en octobre 1999, pour la première fois le Ministère de l’Economie, des finance et de l’industrie.
A cette époque les distributeurs du fabricant DRESSER / DRESSER WAYNE seront importés par LANTZERATH. Un représentant de l’état (DRIRE) imposait les marques (plombage…), après les tests au « Laboratoire Hydraulique » de Fèves. La norme européenne MID n’étant pas encore en place, il fallait passer par le « Ministère de l’Economie, des Finances et de l’Industrie », « Direction de l’Action Régionale et de la Petite et Moyenne Industrie » et le « LNE » pour obtenir un agrément national.
Présentation
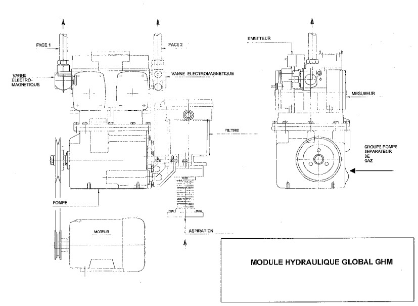
Présentation du modèle GHM :
Décisions d’approbation de modèle (France) : DRESSER / DRESSER WAYNE GHM et GHM Duo (PDF)
L’approbation de modèles sera donnée à la société LANTZERATH Technologie Station Service (Fèves / France), en octobre 1999, pour les distributeurs de type GHM et GHM Duo, 99.00.452.008.1, du 29 octobre 1999. Elle sera complété par la décision d’approbation de modèle 01.00.452.002.1 et par un cetificat d’examen de type F-03-C-228.
Décision d’approbation de modèle 99.00.452.008.1 sur le site de la direction générale des Entreprises
Décision d’approbation de modèle 01.00.452.002.1 sur le site de la direction générale des Entreprises
Certificat F-03-C-228 sur le site du LNE















